Product Series
推薦產品
河南華東起重機械設備公司
服務熱線:400 086 9590
公司:河南華東起重機械設備有限公司
聯系人:賈經理
聯系電話:13903802779
地址:河南新鄉市封丘縣起重機工業園區
當前位置: 起重機 > 起重機文章
5噸QB型雙梁防爆橋式起重機技術參數10噸雙梁防爆起重機參數表
時間:2024-01-18來源:起重機廠家瀏覽次數:1
QB型雙梁防爆橋式起重機是在有防爆要求場合使用的一種雙梁起重機,適用的危險區域為1區或2區。5噸、10噸是常用的兩種噸位。用戶在選用QB型防爆橋式起重機時應注明工作制度,工作環境的最高、最低氣溫及電源種類等技術要求。小編為大家介紹下5噸10噸雙梁防爆橋式起重機技術參數。
QB型雙梁防爆橋式起重機圖片

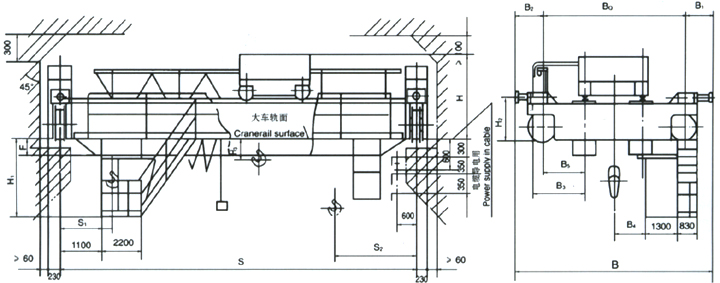
5噸10噸雙梁防爆橋式起重機結構圖

5噸10噸雙梁防爆橋式起重機技術參數 Technological parameter
| 起重量 Lifting Weight | t | 5噸雙梁防爆橋式起重機 | 10噸雙梁防爆橋式起重機 | ||||||||||||||||
| 跨度 Span | m | 10.5 | 13.5 | 16.5 | 19.5 | 22.5 | 25.5 | 28.5 | 31.5 | 10.5 | 13.5 | 16.5 | 19.5 | 22.5 | 25.5 | 28.5 | 31.5 | ||
| 最高起升高度 Max Lifting Height | 16 | 16 | |||||||||||||||||
| 工作級別 Working class | A3 | ||||||||||||||||||
| 速度 Speed | 起升 Lift | m/min | 2.04 | ||||||||||||||||
| 小車運行 handcar travel | 18.24 | 18 | |||||||||||||||||
| 大車運行 crat travel | 29.5 | 29.4 | 29.5 | 29.4 | 35 | ||||||||||||||
| 電動機總功率 Motor total power | kw | 9.3 | 12.3 | 10.8 | 13.8 | 13.8 | |||||||||||||
| 主要尺寸(mm) Main Size | BQ | 3400 | 3550 | 5000 | 4050 | 5000 | |||||||||||||
| B1 | 1140(500) | 550(500) | 1140(500) | 1210(570) | 780(500) | ||||||||||||||
| B2 | 650 | 550 | 650 | 720 | 550 | ||||||||||||||
| B3 | 1535 | 1585 | 1485 | 1535 | 1635 | 1560 | 1610 | 1510 | 1585 | ||||||||||
| B4 | 540 | 545 | 550 | 595 | 620 | 645 | 670 | 865 | 870 | 875 | 920 | 945 | 970 | ||||||
| B5 | 1356 | 1381 | 1306 | 1331 | 1356 | 1431 | 1456 | 1381 | 1406 | 1331 | 1356 | 1381 | 1406 | ||||||
| S1 | 900 | 1050 | |||||||||||||||||
| S2 | 1250 | 1300 | |||||||||||||||||
| F | -24 | 126 | 226 | 376 | 526 | 676 | 826 | 976 | -24 | 126 | 226 | 376 | 526 | 628 | 778 | 928 | |||
| H | 1764 | 2756 | 1926 | ||||||||||||||||
| H1 | 2526 | 2546 | 2596 | 2756 | 2906 | 3056 | 3206 | 3356 | 2526 | 2546 | 2596 | 2756 | 2906 | 3008 | 3158 | 3308 | |||
| H2 | 735+H0 | 735+H0 | 785+H0 | ||||||||||||||||
| H3 | 31 | 561.5 | 511.5 | ||||||||||||||||
| 重量Weight | 小車 Handcart | t | 1.8 | 3.4 | |||||||||||||||
| 總重量Total Weight | 開式 Open | 11.8 | 13.6 | 15.3 | 18.1 | 20.5 | 24.9 | 28.1 | 31.0 | 14.0 | 15.7 | 18.4 | 20.2 | 22.8 | 27.4 | 30.7 | 33.8 | ||
| 閉式 Close | 12.2 | 14.0 | 56.7 | 18.5 | 20.9 | 25.3 | 28.4 | 31.4 | 14.4 | 16.1 | 18.8 | 20.6 | 23.2 | 27.8 | 31.1 | 34.2 | |||
| 地面 ground | 10.9 | 12.8 | 14.4 | 17.2 | 19.1 | 24.0 | 27.1 | 30.1 | 13.5 | 14.9 | 17.5 | 19.2 | 21.9 | 26.3 | 29.3 | 32.3 | |||
| 最大輪壓 Max.Wheel Pressure | kN | 79 | 84 | 90 | 96 | 103 | 115 | 123 | 130 | 107 | 113 | 121 | 127 | 134 | 148 | 156 | 163 | ||
| 薦用鋼材 Steel track | 38kg/m | 43kg/m | |||||||||||||||||
| 電源 Power Supply | 三相交流 3-Phase A.C 50Hz 380V | ||||||||||||||||||
-
18
2024-01
5噸QB型雙梁防爆橋式起重機技術參數10噸雙梁防爆起重機參數表
QB型雙梁防爆橋式起重機是在有防爆要求場合使用的一種雙梁起重機,適用的危險區域為1區或2區。5噸、10噸是常用的兩種噸位。用戶在選用QB型防爆橋式起重機時應注明工作制度,工作環境的最高、最低氣溫及電源種類等技術要求。小編為大家介紹下5噸10噸雙梁防爆橋式起重機技術參數。QB型雙梁防爆橋式起重機圖片5噸10噸雙梁防爆橋式起重機結構圖5噸10噸雙梁防爆橋式起重機技術參數 Technological p...詳細




















