Product Series
推薦產品
河南華東起重機械設備公司
服務熱線:400 086 9590
公司:河南華東起重機械設備有限公司
聯系人:賈經理
聯系電話:13903802779
地址:河南新鄉市封丘縣起重機工業園區
當前位置: 起重機 > 起重機文章
5噸10噸QD型雙梁橋式起重機(行車)技術參數表
時間:2024-05-25來源:起重機廠家瀏覽次數:1
QD型雙梁橋式起重機是在車間常用的一種橋式起重機設備,也稱為雙梁行車。常用噸位有5噸、10噸、32/5噸、50/10噸、80/20噸等規格,跨度從10.5米到31.5米不等,小編為大家介紹下5噸、10噸兩種規格雙梁橋式起重機的技術參數。
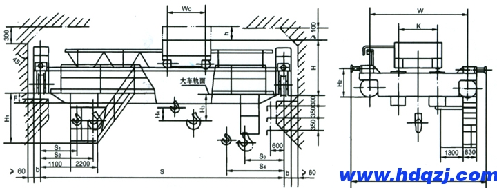
雙梁橋式起重機結構圖:

5噸10噸雙梁橋式起重機技術參數:
| 起重量Lifting Weight | t | 5 | 10 | ||||||||||||||||
| 跨度Span | m | 10.5 | 13.5 | 16.5 | 19.5 | 22.5 | 25.5 | 28.5 | 31.5 | 10.5 | 13.5 | 16.5 | 19.5 | 22.5 | 25.5 | 28.5 | 31.5 | ||
| z大起升高度 Max.Lifting Height | 16 | ||||||||||||||||||
| 速度 speed | 起升 Lift | A5 | m/min | 11.4 | 7.6 | ||||||||||||||
| A6 | 15.4 | 13.3 | |||||||||||||||||
| 小車運行 handcart travel | 31.3 | 43.8 | |||||||||||||||||
| 大車運行cart travel | A5 | 90.7 | 91.9 | 90.7 | 91.9 | 84.7 | |||||||||||||
| A6 | 115.6 | 116.8 | 115.6 | 116.8 | 112.5 | ||||||||||||||
| 電動機 Motor | 起升 Lift | A5 | kw | YZR160L-6z/13 | YZR180L-8z/13 | ||||||||||||||
| A6 | YZR180L-6/15 | YZR200L-6/22 | |||||||||||||||||
| 小車運行 handcart travel | YZR132M1-6/2.5 | YZR132M1-6/2.5 | |||||||||||||||||
| 大車運行 cart travel | A5 | YZR132M2-6/4×2 | YZR160M1-6/6.3×2 | YZR132M2-6/4×2 | YZR160M1-6/6.3×2 | ||||||||||||||
| A6 | YZR160M1-6/5.5×2 | YZR160M2-6/7.5×2 | YZR160M1-6/5.5×2 | YZR160M2-6/7.5×2 | |||||||||||||||
| 主要尺寸 (mm) Main Size | H | 1764 | 1876 | 1926 | |||||||||||||||
| H1 | 2526 | 2546 | 2596 | 2756 | 2906 | 3056 | 3206 | 3356 | 2526 | 2546 | 2596 | 2756 | 2906 | 3008 | 3158 | 3308 | |||
| H2 | 765+H0 | 800+H0 | 765(800)+H0 | 815(850)+H0 | |||||||||||||||
| H3 | 71 | 602 | 552 | ||||||||||||||||
| h | 870 | ||||||||||||||||||
| k | 1400±2 | 2000 | |||||||||||||||||
| B | 5050(5150) | 5200(5204) | 6024(6264) | 5700(5704) | 5930(5934) | 6284(6504) | |||||||||||||
| W | 3400 | 3550 | 5000 | 4050 | 5000 | ||||||||||||||
| Wc | 1100 | 1400 | |||||||||||||||||
| b | 230 | ||||||||||||||||||
| F | -24 | 126 | 226 | 376 | 526 | 676 | 826 | 976 | -24 | 126 | 226 | 376 | 526 | 628 | 778 | 928 | |||
| S2 | 800 | 1050 | |||||||||||||||||
| S3 | 1250 | 1300 | |||||||||||||||||
| 重量 Weight | 小車handcart | A5 | t | 2.126 | 3.424 | ||||||||||||||
| A6 | 2.224 | 3.562 | |||||||||||||||||
| 總重Total Weight | A5 | 13 | 14 | 16 | 19 | 21 | 26 | 29 | 32 | 15 | 17 | 19 | 21 | 24 | 28 | 32 | 35 | ||
| A6 | 14 | 15 | 17 | 20 | 22 | 27 | 31 | 34 | 15 | 17 | 20 | 22 | 25 | 30 | 33 | 36 | |||
| z大輪壓Max.Wheel Pressure | A5 | t | 8.0 | 8.5 | 9.1 | 9.8 | 10.4 | 11.7 | 12.5 | 13.2 | 10.9 | 11.5 | 12.3 | 12.9 | 13.6 | 14.9 | 15.8 | 16.6 | |
| A6 | 8.5 | 9.1 | 9.2 | 10.4 | 11.1 | 12.5 | 13.3 | 13.8 | 11.1 | 11.8 | 12.6 | 13.1 | 13.8 | 15.4 | 16.3 | 17.1 | |||
| 薦用鋼軌Steel track | 38kg/m | 43kg/m | |||||||||||||||||
| 電源Power Supply | 三相交流3-Phase A.c. 50Hz 380V | ||||||||||||||||||
備注:起重機重量均為整機參考重量
下一篇:20噸單梁起重機外形尺寸參數表
推薦文章:




















