Product Series
推薦產品
河南華東起重機械設備公司
服務熱線:400 086 9590
公司:河南華東起重機械設備有限公司
聯系人:賈經理
聯系電話:13903802779
地址:河南新鄉市封丘縣起重機工業園區
當前位置: 起重機 > 起重機文章
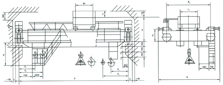
32/5噸雙梁電磁橋式起重機技術參數32噸雙梁電磁起重機參數
時間:2024-01-17來源:起重機廠家瀏覽次數:1
32/5噸雙梁電磁橋式起重機是指起重量為32/5噸的電磁橋式起重機,雙梁電磁起重機是雙主梁結構,保證了起重機的平穩運行。32/5噸電磁橋式起重機有兩套起升機構,可以主鉤掛電磁吸盤,也可以副鉤掛電磁吸盤。起重機的額定起重量包含電磁吸盤自重。我廠小編為大家分享下32/5噸雙梁電磁橋式起重機技術參數。

32/5噸電磁橋式起重機結構圖:

32/5噸雙梁電磁橋式起重機技術參數:
| 起重量 Lifting Weight | t | 32/5(主鉤電磁)Main Magnet | 32/5(副鉤電磁)Secondary Magnet | ||||||||||||||
| 跨度 Span m | 13.5 | 16.5 | 19.5 | 22.5 | 25.5 | 28.5 | 31.5 | 13.5 | 16.5 | 19.5 | 22.5 | 25.5 | 28.5 | 31.5 | |||
| 最大起升高度Max Lifting Height | m | 16/20 | 16/18 | ||||||||||||||
| 工作級別 Working class | A6 | ||||||||||||||||
| 速度 Speed | 起升 Lift | 主鉤Primarg hook | m/min | 12.2 | 9.5 | ||||||||||||
| 副鉤secondary.Hook | 19.5 | 20 | |||||||||||||||
| 小車運行 handcar travel | 42.8 | ||||||||||||||||
| 大車運行 crat travel | 101.4 | 101.8 | 85.8 | 101.4 | 101.8 | 85.8 | |||||||||||
| 電機 Motor | 起升 Lift | 主鉤Primarg hook | Type/ kw | YZR315S-8/75 | YZR280M-8/55 | ||||||||||||
| 副鉤secondary.Hook | YZR180L-6Z/17 | YZR200L-6/22 | |||||||||||||||
| 小車運行 handcar travel | YZR160M1-6/5.5 | ||||||||||||||||
| 大車運行 crat travel | YZR160L-6/11×2 | YZR180L-6/11×2 | YZR160L-6/11×2 | YZR180L-8/11×2 | |||||||||||||
| 主要尺寸 (mm) Main Size | B | 6640 | 6690 | 6990 | 6640 | 6690 | 6990 | ||||||||||
| BQ | 4560 | 4700 | 5000 | 4650 | 4700 | 5000 | |||||||||||
| BX | 3150 | ||||||||||||||||
| b | 260 | 300 | 260 | 300 | |||||||||||||
| LX | 2500 | ||||||||||||||||
| H | 2341 | 2471 | 2341 | 2471 | |||||||||||||
| H1 | 2586 | 2616 | 2646 | 2796 | 2946 | 3096 | 3196 | 2586 | 2616 | 2646 | 2796 | 2946 | 3096 | 3196 | |||
| H2 | 880 | 1010 | 880 | 1010 | |||||||||||||
| S1 | 1250 | ||||||||||||||||
| S2 | 1700 | ||||||||||||||||
| S3 | 2670 | ||||||||||||||||
| S4 | 3120 | ||||||||||||||||
| F | 96 | 246 | 266 | 416 | 566 | 716 | 816 | 96 | 246 | 266 | 416 | 566 | 716 | 816 | |||
| h | 820 | ||||||||||||||||
| 重量 Weight | 小車 Handcart | t | 11.254 | ||||||||||||||
| 總重量Total Weight | 30.1 | 33.2 | 38.3 | 41.6 | 46.8 | 50.3 | 54.9 | 30.1 | 33.2 | 38.3 | 41.5 | 46.8 | 50.3 | 54.9 | |||
| 最大輪壓 Max.Wheel Pressure | 26.3 | 27.8 | 28.9 | 30.1 | 31.6 | 32.7 | 34 | 26.3 | 27.8 | 28.9 | 30.1 | 31.6 | 32.7 | 34 | |||
| 電磁盤 Magnet | 型號Model | MW1-16 | MW1-45 | MW1-6 | MW1-16 | ||||||||||||
| 吸重Pulling weight | kg | 16000 | 26450 | 4540 | 3330 | ||||||||||||
| 自重Dead weight | 1670 | 5550 | 460 | 1670 | |||||||||||||
| 直徑Diameter | mm | 1180 | 1650 | 776 | 1180 | ||||||||||||
| 薦用鋼軌 Steel track | QU70 □90×90 | ||||||||||||||||
| 電源 Power Supply | 三相交流3-PhaseA.C.50Hz 380V | ||||||||||||||||
-
17
2024-12
QC型電磁橋式起重機的商品特性、QC型電磁橋式起重機鏈環電動提升機防污防潮功能詳解
QC型電磁橋式起重機的商品特性 提到QC型電磁橋式起重機,堅信大伙兒想起的就是比較常見的單梁起重機,而QC型電磁橋式起重機做為單梁起重機在其中的一種種類,不但具有著單梁起重機所具備的特性,也有著本身有的特性。下面河南鴻升起重機的小編給您講解一下: 完成了在0——45m/min中間變頻式無級變速;并選用低靜空設計方案,可合理擴大裝運室內空間,及其特有的C型構造,相對應的增強了裝運室內空間...詳細
-
02
2024-07
下旋轉伸縮掛梁電磁橋式起重機
下旋轉伸縮掛梁電磁橋式起重機產品介紹下旋轉伸縮掛梁電磁橋式起重機帶有可旋轉、又可伸縮的電磁掛梁,設計起重量有:15、25、30噸(T),主要用于鋼廠、船廠、港口、堆場和倉儲等室內或露天的固定跨間,裝卸及搬運鋼板、型鋼、盤卷等物料。特別適用于吊運不同規格且需水平旋轉的場合,能夠根據所吊物料的規格(不同厚度、長度、張數等)和重量,電動調整電磁鐵間距及無級調節電磁鐵磁力。根據用戶要求可提供:各機構的調速...詳細
-
02
2024-07
上旋轉伸縮掛梁電磁橋式起重機
上旋轉伸縮掛梁電磁橋式起重機產品介紹上旋轉伸縮掛梁電磁橋式起重機設計起重量有:5+5噸、10+10噸、16+16噸、25+25噸(T),工作級別有A6和A7級,本起重機帶有可旋轉掛梁,適用于鋼廠、堆場和倉儲等室內或露天的固定跨間裝卸及搬運鋼板、型鋼、盤卷等物料。特別適用于吊運不同規格且需水平旋轉的場合。掛梁下可以攜帶電磁吸盤、夾鉗等專用吊具。上旋轉伸縮掛梁電磁橋式起重機生產廠家并提供下旋轉伸縮掛梁...詳細
-
30
2024-05
QC型電磁橋式起重機、YZ型吊鉤橋式鑄造起重機
橋式起重機是橫架于車間、倉庫和料場上空進行物料吊運的起重設備。由于它的兩端坐落在高大的水泥柱或者金屬支架上,形狀似橋。橋式起重機的橋架沿鋪設在兩側高架上的軌道縱向運行,可以充分利用橋架下面的空間吊運物料,不受地面設備的阻礙。它是使用范圍*廣、數量*多的一種起重機械。QC型電磁橋式起重機簡介 QC型電磁橋式起重機適用于家具板材、鋁型材、廢舊鋼材等。起重設備為主級工時制度,工作中等級為A6。額定值...詳細
-
29
2024-05
32/5噸雙梁電磁橋式起重機技術參數
32/5噸雙梁電磁橋式起重機是指起重量為32/5噸的電磁橋式起重機,該型起重機是雙主梁結構,保證了起重機的平穩運行。32/5噸電磁橋式起重機有兩套起升機構,可以主鉤掛電磁吸盤,也可以副鉤掛電磁吸盤。起重機的額定起重量包含電磁吸盤自重。我廠小編為大家分享下32/5噸雙梁電磁橋式起重機技術參數。32/5噸電磁橋式起重機結構圖:32/5噸雙梁電磁橋式起重機技術參數:起重量 Lifting Weightt...詳細
-
24
2024-05
QC型電磁橋式起重機技術參數
電磁橋式起重機產品介紹:QC型電磁橋式起重機由箱型橋架、大車運行機構、小車、電磁吸盤設備、電氣設備五部分組成,全部機構均在操縱室內操縱。當露天使用需帶防雨設備。 QC型電磁橋式起重機帶有可裝卸的電磁吸盤,特別適用于冶金工廠在室內或露天的固定跨度間較繁重的裝卸及搬運具有磁性的黑色金屬制品與材料。在機械廠、庫房也常用來搬運鋼料、鐵屑等物料。QC型電磁橋式起重機選用時,請注明工作環境的*高、*低溫度和電...詳細




















